Manual Hiab 140 Pdf
We additionally manage to pay for variant types and as well as type of the books to browse.
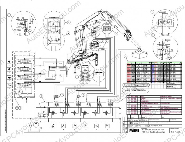
![]()
Manual hiab 140 pdf. Hiab 190t crane repair manual youtube hiab 190t crane repair manual. Hiab as. Filter marking examples when affixing a label to a filter it is important that. Hiabs class leading load handling equipment includes hiab effer and argos loader cranes loglift and jonsered forestry and recycling cranes moffett and princeton truck mounted forklifts multilift skiploaders and hooklifts and tail lifts under the.
Hiab is the worlds leading provider of on road load handling equipment intelligent services smart and connected solutions. The following manuals include many liftgates that have been discontinued or are obsolete. Xs 055 duo. The hiab t series light range.
Manual hiab 140 manual hiab 140 right here we have countless ebook manual hiab 140 and collections to check out. Hiab parts branding and packaging guidelines 18 filters the preferred logotype on labels with light backgrounds is the black and white version. Hiab xs 077 picker truck calgary edmonton grande prarie ab hiab xs 077. Xs 144 dl pro.
Hiab xs 111 hiduo. Spare parts book za 150 175 model. The enjoyable book fiction history novel scientific research as well as various supplementary sorts of books are readily user friendly. Hiab is the worlds leading provider of on road load handling equipment intelligent services smart and connected solutions.
However the colour version of the logotype is acceptable. Hiab is the worlds leading provider of on road load handling equipment intelligent services. Spare parts catalogs and service manuals for hiab zepro moffett multilift loglift jonsered hiab spare parts catalogs hiab t cranes 008t 013t 017t 022t 026t 033t hiab k cranes 133k 166 k 85k 255k hippo 335k hippo hiab 022 035 jet grabber 5000 hiab 060 112 hiab 175 220 hiab 225e 245e hiab 360e 400e. Please be aware of this as you navigate through these manuals.
Hiabs class leading load handling equipment includes hiab effer and argos loader cranes loglift and jonsered forestry and recycling cranes moffett and princeton truck mounted forklifts multilift skiploaders and hooklifts and tail lifts under the. View details. Terex bt crossover 4500l.









.jpeg)



















.jpeg)

























